abbrechen
Suchergebnisse werden angezeigt für 
Stattdessen suchen nach 
Meintest du: 
abbrechen
Suchergebnisse werden angezeigt für 
Stattdessen suchen nach 
Meintest du: 

Höhenkoten assoziativ auf Elementen platzieren

Fritz Schupferling
Community Manager
Community Manager
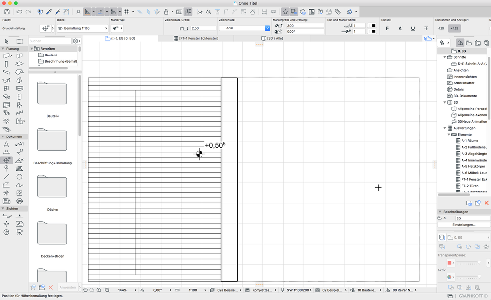
Höhenkoten lassen sich assoziativ auf Elemente wie Dächer, Freiflächen, Schalen und Decken platzieren. Normalerweise nutzen Sie dafür die Schwerkraft-Funktion.

Ab Archicad 22 funktioniert das auch ohne Schwerkraft.
2018_07_111006_1.png


  • Aktivieren Sie das Höhenkoten Werkzeug.

  • Fahren Sie mit der Maus auf das Element. In unserem Beispiel ein Dach.

  • Das Dach wird blau hervorgehoben.


2018_07_111006_2.png


  • Setzen Sie die Höhenkote ab.

  • Wenn Sie Unterelemente der Treppe (Podeste, Stufen) bemaßen wollen, müssen Sie die Tab-Taste drücken, sobald die Maus auf dem Element liegt

  • Platzieren Sie dann die Höhenkote mit der Enter-Taste


Die Screenshots wurden in Archicad Version 22 erstellt

Didn't find the answer?

Check other topics in this Forum

Back to Forum

Read the latest accepted solutions!

Accepted Solutions

Start a new conversation!