Hi,
I'm using MEP on Archicad 27 for the first time, I was familiar with previous versions,
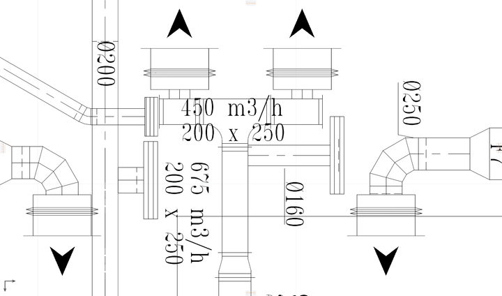
I'm struggling to model this small piece of duct,
can someone suggest how to do it ??
especially on T junctions, corners, and reductions,
Thanks

Operating system used: Windows 11