cancel
Showing results for 
Search instead for 
Did you mean: 
EN
cancel
Showing results for 
Search instead for 
Did you mean: 
Samuel1997
Booster

Custom label for dimension string documentation

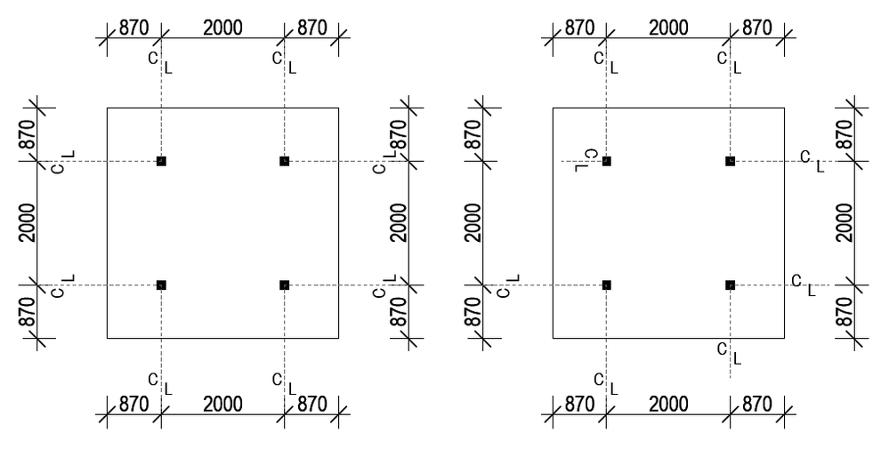
Hi all, i spent Friday working on a custom label, which will be used to document column centers within dimension strings. Our current workflow is to use two grouped text boxes and a dashed line, to extend from the relevant column to the dimension string. A workmate asked if i could script a basic object to do the text boxes together, but of coarse once i started down the rabbit hole it progressed to an entirely different idea. 

 

The label i created works but it seems when the hotspot is shifted to a zero point on y axis (positive or negative), if moved again along the y axis, the text will over-rotate. My only guess is that the way i designed it to rotate based on hotspot location being positive or negative on the x & y axis, the second movement is registering as a positive / negative movement and causing an issue. But to be honest i am struggling to solve it. 

 

Not sure if any one can have a glance over it, i think the label is a good idea anyway, and would be helpful to others if debugged. 

 

The left hand side of the image is the label correct, whilst the right hand side shows the secondary movements to the label along the y axis. 

 

Please find attached gsm for the label itself.

 

Centerline label prototype issue.png

AC19/24/26 | Win11 | 12th gen i-7 | 32GB | RTX 3070 Ti
0 Replies 0

Didn't find the answer?

Check other topics in this Forum

Back to Forum

Read the latest accepted solutions!

Accepted Solutions

Start a new conversation!