cancel
Showing results for 
Search instead for 
Did you mean: 
EN
cancel
Showing results for 
Search instead for 
Did you mean: 
Anonymous
Not applicable

Trouble with D2 sliding 17

Am trying to set the parameters of this door.

the door is a fleetwood 1000/3000 series bronze anodized frame at 4.5"
depth. The wall that it resides in is a 2 x 6 stud wall = 5.5"

So, the first thing I'm noticing in plan is the frame is not reading properly.
It shows the door frame the same thickness as the stud wall. After going through the dialog box many times have had no success at finding the
setting to fix this. There used to be a "frame same thickness as wall button" or setting...Can't find it. Must be able to have the frame thickness read correctly on the plan!!

Next up is once the frame is shown properly (1" less than the stud wall)
the setting for the reveal to wall face
(outside frame relation to outside face of studs)
is not available. I'v spent like 2 hours on this and can't fix.

The other thing is that the door is reading okay in 3d but the 2d rep
is off. the styles should only be 1 3/4"

D2 sliding 17 plan view.jpg
15 Replies 15
Anonymous
Not applicable
Seems really crazy to have to go through this nightmare of parameters
that don't seem to work.

There is a sliding glass window object in 17 that tricks you into thinking it can be used as an X.O.X. sliding glass window... very common window type by the way. No such luck - there is absolutely no way you can get that window to read as an X.O.X. window.

Sorry about the little rant. It's the best software in the world, but I have work to do....🙂
Anonymous
Not applicable
This is the old lib part from object lib 70 that I have been using.
You can see I am able to set the reveal at 2", this part also has a problem in that you cant have the frame read as 4.5" thick the width setting is available, but the thickness is not....Ugh
Steve Jepson
Virtuoso
like this ? Very easy.

ArchiCAD 25 7000 USA - Windows 10 Pro 64x - Dell 7720 64 GB 2400MHz ECC - Xeon E3 1535M v6 4.20GHz - (2) 1TB M.2 PCIe Class 50 SSD's - 17.3" UHD IPS (3840x2160) - Nvidia Quadro P5000 16GB GDDR5 - Maxwell Studio/Render 5.2.1.49- Multilight 2 - Adobe Acrobat Pro - ArchiCAD 6 -25

Anonymous
Not applicable
Is this it? I don't see any issues with AC's abilities here... You can even hide the frame entirely if you wish.
Anonymous
Not applicable
Yes, those are the details.
Pay particular attention to the styles width and thickness where they interlock. I have been able to get the door reveal from face of studs and
the frame thickness to read correctly, but not the actual leaf frames.
The jpg below is from a different job with different conditions, but you can see how narrow the leaf frames are. Now look at Marks jpg above.
I have spent hours and have not been able to get the actual panel leaf frames to read correctly. There are settings but they don't translate to the actual plan view. It's crazy and could fit the definition of insanity, trying over and over expecting a different result.
Anonymous
Not applicable
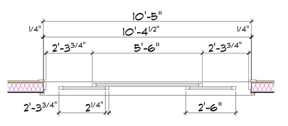
Okay, you might have it. Can you make the center panel 5'-6"
wide and the two operable panels 2'-6" ?
Steve wrote:
like this ? Very easy.
Anonymous
Not applicable
Mark,

It's the stiles that don't seem to be showing correctly!!
I have set them to be 2 1/8" but it shows like 4 or 5 inches wide on the floor plan.
Leaf panel is 1.25" thick with 1" insulated glazing.
Door frame is 4.5" thick set 1.5" back from exterior face of 2 x 6 studs.

I'm going to look at the D3 sliding window again

MarkMoscrip wrote:
Is this it? I don't see any issues with AC's abilities here... You can even hide the frame entirely if you wish.
Anonymous
Not applicable
Very easy to make a window that nobody is going to use.
If you know anything about the XOX window the fixed center panel is
always better to have larger than the combined width of the operable side panels, this way you can open both of the operable windows at the same time! Get it!
Otherwise, you might as well use a simple XO sliding glass window.
Are you following me? Looks better too. IMHO:-)
Can you show me a XOX sliding glass window with the W sliding3 17 library part that has a 5'-0" wide fixed center panel and 2'-0" wide operable side panels.
Steve wrote:
like this ? Very easy.
Steve Jepson
Virtuoso
I can do it. But it takes a little editing of the gdl script than you are probably not interested in doing. Have you tried using the library search engine to find a window you can configure by your self?

Do a search from the Window Selections Settings window for Triple Window and see if that can be configured you need it.
7-20-2013 5-33-05 PM.jpg

ArchiCAD 25 7000 USA - Windows 10 Pro 64x - Dell 7720 64 GB 2400MHz ECC - Xeon E3 1535M v6 4.20GHz - (2) 1TB M.2 PCIe Class 50 SSD's - 17.3" UHD IPS (3840x2160) - Nvidia Quadro P5000 16GB GDDR5 - Maxwell Studio/Render 5.2.1.49- Multilight 2 - Adobe Acrobat Pro - ArchiCAD 6 -25

Didn't find the answer?

Check other topics in this Forum

Back to Forum

Read the latest accepted solutions!

Accepted Solutions

Start a new conversation!