cancel
Showing results forĀ 
Search instead forĀ 
Did you mean:Ā 
cancel
Showing results forĀ 
Search instead forĀ 
Did you mean:Ā 
Modeling
About Archicad's design tools, element connections, modeling concepts, etc.

Archicad 24 - Stair landings - tried everything on how to adjust the landing

rob2218
Enthusiast

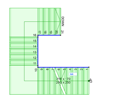
trying to create a simple "L-shaped" stair and having trouble with the landing settings from the point of the treads edges. (see attached)


STAIRS.png
...Bobby Hollywood live from...
i>u
Edgewater, FL!
SOFTWARE VERSION:
Archicad 22, Archicad 23
Windows7 -OS, MAC Maverick OS
5 REPLIES 5
Patrick M
Mentor

try clicking the stair ref line on the landing node, select the "turning type options" on the pet palette, and redefine there for the "entire stair" (screen shot attached).

I'm not exactly sure why that works and the stair settings done, and sometimes its the opposite... and then again, sometimes neither works and you ahve to set it in the stair settings, eye drop the placed stair and place a new stair completely


Screen Shot 2022-01-18 at 4.13.52 PM.png
BIM solutions and trouble shooting (self proclaimed) expert. Using Archicad 26 5002 US on Mac OS 11.5.2
ryejuan
Advisor

do you intend to have something like this?

ryejuan_0-1642560670948.png

ryejuan_1-1642560707286.png

 

 

In the end what is your Objective? ArchiCAD 9 onwards
CPU: i9-14900K @ 3.2Ghz; GPU: GeForce RTX 5080 super (16GB); SSD: XPG GAMMIX S70 1TB; RAM: 64GB @ 4200MT/s.
WINDOWS 11 PRO
AllanP
Expert

or is this what you want?

AllanP_0-1642571236107.pngAllanP_1-1642571776233.png

 

AllanP_2-1642571811885.png

 

I have been using ArchiCAD continually since ArchiCAD 4.5
Member of Architalk since 2003, but missed the migration from Architalk to Graphisoft Communities. Melbourne, Australia

Allan, 

 

that’s exactly what I’m in need of. How did you make that work? 

...Bobby Hollywood live from...
i>u
Edgewater, FL!
SOFTWARE VERSION:
Archicad 22, Archicad 23
Windows7 -OS, MAC Maverick OS

Archicad almost works, but you have to manually edit the width of the stair to get the zero landing.

This is a common situation on most stairs for L-shape and U-shape landings in Volume Detached Housing in Oz.

AllanP_0-1642627091586.png

 

AllanP_1-1642627091239.png

 

 

I have been using ArchiCAD continually since ArchiCAD 4.5
Member of Architalk since 2003, but missed the migration from Architalk to Graphisoft Communities. Melbourne, Australia