cancel
Showing results for 
Search instead for 
Did you mean: 
EN
cancel
Showing results for 
Search instead for 
Did you mean: 

"Trapezoid window 25.gsm" window Unit dimension in conflict with Opening (Wallhole) dimension - BUG

Top part of Trapezoid window unit size is in conflict with window opening hole, hole is smaller than window both in 3D and schedules. Top window tolerance (space between window unit and window opening) is not same all the way and gets in conflict in bottom part. This object need to be fixed. Also object needs option to have different tolerances on bottom, left and right side and top.

 

Red line showing window unit size, while black line showing opening in the wall. 

 

We have issue in our wooden frame houses that trapezoid windows are not fitting into house frame. Windows are too big.

 

When tolerance switched to 0 everything is alright, but when you setting up tolerance to several mm strange opening and window size behavior in top part appears.

 

AlgimantasKuprenas_0-1641969843977.jpeg

 

GRAPHISOFT BIM Manager Training Week attendee
ArchiCAD v9 - v29 INT / NOR
cpu i5-12600K @ 5.0Ghz, ram 32GB, gpu 1060 GTX
ssd NVMe, Windows 11
ArchiCAD Discord channel: https://discord.gg/QdWxSJ33

7 Replies 7

Looks like the wrong distance direction in the gdl code, probably super easy to fix, if you can find the right code line.

Patrick M
Ace

can you share a screen shot of the window settings you are referring to as "tolerance"? is this a rough opening setting?

BIM solutions and trouble shooting (self proclaimed) expert. Using Archicad 26 5002 US on Mac OS 11.5.2

Hi 4dProof,

 

Tolerance is gap between window opening (Wallhole) and window unit size arounds it perimeter. Added printscreen where this setting is ajusted.

 

AlgimantasKuprenas_1-1641969764679.png

GRAPHISOFT BIM Manager Training Week attendee
ArchiCAD v9 - v29 INT / NOR
cpu i5-12600K @ 5.0Ghz, ram 32GB, gpu 1060 GTX
ssd NVMe, Windows 11
ArchiCAD Discord channel: https://discord.gg/QdWxSJ33

BradJAllen19
Booster

It is telling that there has yet to be a reply to your last post.

 

We have the same problem with our trapezoid and pentagon windows.  We do an elevation drawing using linework  and hide the actual windows to send to our window manufacturer.  They then send us back a drawing for coordination and sign off.  We use the linework to generate the stud openings and don't even schedule the trap shaped window RSO but refer the framers to the wall framing elevation drawing to get around this.

 

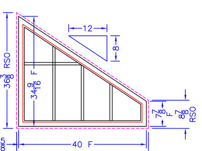
A simple elevation drawing like the one below from our window supplier where you can set the overall height, short side height, width and slope (this way or in degrees would be an option to select) would solve this problem handily. another setting for the shim gap for each side added to that would be amazing.  This would work for any sloped window in the library.

BradJAllen19_2-1663784830956.png

 

I think the primary issue (for the US version) is that Archicad always seems to assume the sill of the window is resting right on the structure.  For example we actually need a 5/8" gap all the way around the window frame to the opening.  If you put in a 5/8" gap in the window setting it puts it on the sides and the top but not the bottom.  You can even see it in the diagrams in the window settings below.  The same is true for normal windows but at least the RSO is correct because it is a rectangle but it still isn't 100% correct if you look at a section in fine detail.  This points to a fundamental misunderstanding of how windows are installed in wood frame structures on the part of Graphisoft developers.  Maybe it's different in Hungary and they actually put the window directly on the bottom frame I don't know.  I also notice that the settings in the image you shared DOES have this setting and you are still having problems so I don't know I might be wrong on this one too.  Not sure why they are different.

BradJAllen19_0-1663783412646.png

In any case a gap setting for the bottom that is independent from the sides and top would be good to have in the US version.  This would allow flexibility for local standard practices.

For sloped windows in particular it would be nice.  

 

 

 

Brad Allen
Designer
Ironwood Manufactured Homes Inc.
Archicad 26
Windows 10

Just updating this bug.

 

Archicad 26. Trapezoid window still in conflict with opening - critical bug that cost money to fix in construction site, also later you need to order another window or do some other fixing in site.

AlgimantasKuprenas_0-1663821907122.png

 

GRAPHISOFT BIM Manager Training Week attendee
ArchiCAD v9 - v29 INT / NOR
cpu i5-12600K @ 5.0Ghz, ram 32GB, gpu 1060 GTX
ssd NVMe, Windows 11
ArchiCAD Discord channel: https://discord.gg/QdWxSJ33

BradJAllen19
Booster

Yes it is a problem for sure and I'm surprised it hasn't been addressed long ago.  How are designers using this window object as it is and not having major issues on site?  We are trying to implement Vertex BD into our workflow for detailed wood framing drawings and future output to automated saws via IFC export from Archicad and if the openings are not correct it won't frame it properly so we need to still frame that wall manually.

Brad Allen
Designer
Ironwood Manufactured Homes Inc.
Archicad 26
Windows 10

If Graphisoft don't have enough developers to fix such issues they could launch some bug fix bounty challenge where GDL developers can improve object or fix issues in them 😄

GRAPHISOFT BIM Manager Training Week attendee
ArchiCAD v9 - v29 INT / NOR
cpu i5-12600K @ 5.0Ghz, ram 32GB, gpu 1060 GTX
ssd NVMe, Windows 11
ArchiCAD Discord channel: https://discord.gg/QdWxSJ33

Still looking?

Browse more topics

Back to forum

See latest solutions

Accepted solutions

Start a new discussion!