キャンセル
提案をオンにする
自動提案では、入力時に可能な一致が提案されるので検索結果を素早く絞り込むことができます。
次の結果を表示 
次の代わりに検索 
もしかして: 
  • フォーラム
    • インストール&アップデート
    • ライセンス
    • モデリング
    • ライブラリ&オブジェクト
    • ドキュメント
    • ビジュアライズ
    • BIMx
    • プロジェクト管理
    • パラメトリックデザイン
    • サスティナブルデザイン
    • チームワーク&BIMcloud
    • OPEN BIM
    • フリートーク
    • Our Community
  • ナレッジベース
    • インストール&アップデート
    • ライセンス
    • Archicadをはじめよう
    • モデリング
    • ライブラリ&オブジェクト
    • ドキュメント
    • ビジュアライズ
    • BIMx
    • プロジェクト管理
    • チームワーク&BIMcloud
    • OPEN BIM
    • Communityの使い方
    • MEP
  • Building Together
    • Insights
    • Archicadユーザーグループ
      • ユーザーグループ紹介
      • ユーザーグループからのお知らせ
      • Archicadユーザーグループマガジン
      • 施工ユーザーグループ メンバー専用
      • ワークフロー研究会 メンバー専用
    • USERFEST
      • USERFEST 2022
      • USERFEST 2023
      • USERFEST 2024
      • USERFEST 2025
    • チャレンジ(コンテスト)
      • Your Best Design Option
    • BIM相談室 配信情報
    • How to use Archicad - NEW
    • ウィッシュリスト
    • ロードマップ
    • Graphisoft テクノロジープレビュープログラム 2025
      • フォーラム
      • 新機能ガイド
      • ダウンロード
  • 製品ヘルプ
  • Service & Support
    • スキルアップ動画
search
ヘルプサインイン
キャンセル
提案をオンにする
自動提案では、入力時に可能な一致が提案されるので検索結果を素早く絞り込むことができます。
次の結果を表示 
次の代わりに検索 
もしかして: 
  • 日本コミュニティ
  • :
  • フォーラム
  • :
  • モデリング
  • :
  • Re: 柱と梁が接続している場合の、梁の小口面を除いた面積の出し方を教えて下さい
オプション
  • RSS フィードを購読する
  • トピックを新着としてマーク
  • トピックを既読としてマーク
  • このトピックを現在のユーザーにフロートします
  • ブックマーク
  • この話題を購読する
  • ミュート
  • 印刷用ページ
モデリング
Archicadでのモデリング全般についてのフォーラムです。
解決済!

柱と梁が接続している場合の、梁の小口面を除いた面積の出し方を教えて下さい

Kotetsu
Kotetsu
Expert
オプション
  • 新着としてマーク
  • ブックマーク
  • 購読
  • ミュート
  • RSS フィードを購読する
  • ハイライト
  • 印刷
  • 不適切なコンテンツを報告

‎2024-09-18 11:58 AM

‎2024-09-18 11:58 AM

柱の塗装面積を取得するために、

 

↓こういう柱・梁の

2024-09-18_11h48_28.png

 

↓この部分の面積を取得したいです。 

2024-09-18_11h50_23.png

 

一覧表の「材質」の「露出面積」で取得できるかなと思ったんですが、一覧表「要素毎の面積」でも小口面は差し引かれていませんでした。

Kotetsu_0-1726628066453.png

 

仕上げツールで作成という手はありますが、できればモデルから情報として取得したいです。

ご存じの方がいれば教えて下さい。

 

Operating system used: Windows


▼ウィッシュリスト(投票が集まるとGSの検討対象になります。賛同してくださる方は投票をお願いします!)
「仕上げツール」を本体機能に | 「メッシュから屋根を作成」を本体機能に | フロアレベルからメッシュ点高度 | 躯体以外を表示 | メッシュ頂点に一括ラベル | 断面形状パラメータパレット | STB取込みで梁端部を柱面 | RFAをパラメトリック | レイヤーセットを現在の設定で更新 | ひとつひとつの線の線種/色/表示非表示を変更できる機能(ラインワーク) | 「線として表示」としてもBIMx上で通り芯を表示 | 部材の始点/終点座標を一覧表とプロパティで取得 | 通り芯と要素の連動 | 表現の上書きに数式
Win10 / 13th Gen Corei7 / 32GB RAM / RTX2000Ada Laptop
AC17 - 27 / ACUG

解決済! 解決策の投稿を見る。

ラベル:
  • ラベル:
  • その他
  • 柱
  • 梁
2 件のいいね!
返信
  • すべてのフォーラムトピック
  • 前のトピック
  • 次のトピック
1 件の受理された解決策

受理された解決策
解決策
bolco_1280
bolco_1280
Enthusiast
Kotetsuに対する応答
オプション
  • 新着としてマーク
  • ブックマーク
  • 購読
  • ミュート
  • RSS フィードを購読する
  • ハイライト
  • 印刷
  • 不適切なコンテンツを報告

‎2024-09-19 06:05 PM

‎2024-09-19 06:05 PM

レイヤーセットが不足になってるからではないでしょうか?各社レイヤー名やレイヤーセット名がデフォルトと違うと思うので、、、

弊社もそこ出来てなくてレイヤーセットごと消しました。そうするとちゃんと減算されて表示されました!
気づいてなかったので助かりました~!

bolco_1280_0-1726736632865.png

 

元の投稿で解決策を見る

5 件のいいね!
返信
7件の返信7
Takahiko
Graphisoft Takahiko
Graphisoft
オプション
  • 新着としてマーク
  • ブックマーク
  • 購読
  • ミュート
  • RSS フィードを購読する
  • ハイライト
  • 印刷
  • 不適切なコンテンツを報告

‎2024-09-18 11:10 PM

‎2024-09-18 11:10 PM

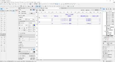
露出面積であっていると思われるのですが、私の方だと露出面積で減算算出できています!Archicad26.27で確認ができました。不思議ですね。。。

Takahiko_0-1726668435556.png

 

2 件のいいね!
返信
Kotetsu
Kotetsu
Expert
Takahikoに対する応答
オプション
  • 新着としてマーク
  • ブックマーク
  • 購読
  • ミュート
  • RSS フィードを購読する
  • ハイライト
  • 印刷
  • 不適切なコンテンツを報告

‎2024-09-19 08:51 AM - 編集済み ‎2024-09-19 08:54 AM

‎2024-09-19 08:51 AM

@Takahiko 

ありがとうございます。

上記が起きた環境は AC27 5060 JPN 弊社テンプレートです。

 

まさかと思って「Archicad27 汎用テンプレート」で作成したところ正常に取得できました。

Kotetsu_0-1726703043637.pngKotetsu_1-1726703065076.png

 

 

ただ、この柱・梁を弊社テンプレートにコピーするとなぜか正常な数値にならず・・・。

 

Kotetsu_3-1726703228581.pngKotetsu_2-1726703207618.png

 

レイヤーの交差グループ番号まわりかな?と思ったんですが、どちらも1なので問題なし?

Kotetsu_4-1726703315488.png

 

柱と梁は念の為食い込ませた状態です。

Kotetsu_5-1726703348322.png

その他試したこと

・Ctrl + Shift + Alt + R

・一覧表開き直し

 

サポート案件でしょうか?🤔


▼ウィッシュリスト(投票が集まるとGSの検討対象になります。賛同してくださる方は投票をお願いします!)
「仕上げツール」を本体機能に | 「メッシュから屋根を作成」を本体機能に | フロアレベルからメッシュ点高度 | 躯体以外を表示 | メッシュ頂点に一括ラベル | 断面形状パラメータパレット | STB取込みで梁端部を柱面 | RFAをパラメトリック | レイヤーセットを現在の設定で更新 | ひとつひとつの線の線種/色/表示非表示を変更できる機能(ラインワーク) | 「線として表示」としてもBIMx上で通り芯を表示 | 部材の始点/終点座標を一覧表とプロパティで取得 | 通り芯と要素の連動 | 表現の上書きに数式
Win10 / 13th Gen Corei7 / 32GB RAM / RTX2000Ada Laptop
AC17 - 27 / ACUG
2 件のいいね!
返信
ooki
ooki
Enthusiast
オプション
  • 新着としてマーク
  • ブックマーク
  • 購読
  • ミュート
  • RSS フィードを購読する
  • ハイライト
  • 印刷
  • 不適切なコンテンツを報告

‎2024-09-19 09:58 AM

‎2024-09-19 09:58 AM

お疲れ様です。

過去に一覧表設定で失敗したことがあるのが、フィールド名を「面積」と変えた時に表面積と露出面積を間違えてしまった事があります。

自社テンプレートの一覧表設定を念の為確認してみてはいかがでしょうか。私は良く失敗します!(笑)

 

00001.jpg

 

00003.jpg

 

3 件のいいね!
返信
Kotetsu
Kotetsu
Expert
オプション
  • 新着としてマーク
  • ブックマーク
  • 購読
  • ミュート
  • RSS フィードを購読する
  • ハイライト
  • 印刷
  • 不適切なコンテンツを報告

‎2024-09-19 10:59 AM

‎2024-09-19 10:59 AM

@ooki 

ありがとうございます。

念の為確認してみましたが、露出面になってました。

Kotetsu_0-1726711091424.png

 

表のヘッダと中身変えられちゃうので「嘘です」が起きちゃうんですね。

私もいつかミスりそうです😨


▼ウィッシュリスト(投票が集まるとGSの検討対象になります。賛同してくださる方は投票をお願いします!)
「仕上げツール」を本体機能に | 「メッシュから屋根を作成」を本体機能に | フロアレベルからメッシュ点高度 | 躯体以外を表示 | メッシュ頂点に一括ラベル | 断面形状パラメータパレット | STB取込みで梁端部を柱面 | RFAをパラメトリック | レイヤーセットを現在の設定で更新 | ひとつひとつの線の線種/色/表示非表示を変更できる機能(ラインワーク) | 「線として表示」としてもBIMx上で通り芯を表示 | 部材の始点/終点座標を一覧表とプロパティで取得 | 通り芯と要素の連動 | 表現の上書きに数式
Win10 / 13th Gen Corei7 / 32GB RAM / RTX2000Ada Laptop
AC17 - 27 / ACUG
2 件のいいね!
返信
解決策
bolco_1280
bolco_1280
Enthusiast
Kotetsuに対する応答
オプション
  • 新着としてマーク
  • ブックマーク
  • 購読
  • ミュート
  • RSS フィードを購読する
  • ハイライト
  • 印刷
  • 不適切なコンテンツを報告

‎2024-09-19 06:05 PM

‎2024-09-19 06:05 PM

レイヤーセットが不足になってるからではないでしょうか?各社レイヤー名やレイヤーセット名がデフォルトと違うと思うので、、、

弊社もそこ出来てなくてレイヤーセットごと消しました。そうするとちゃんと減算されて表示されました!
気づいてなかったので助かりました~!

bolco_1280_0-1726736632865.png

 

5 件のいいね!
返信
Kotetsu
Kotetsu
Expert
オプション
  • 新着としてマーク
  • ブックマーク
  • 購読
  • ミュート
  • RSS フィードを購読する
  • ハイライト
  • 印刷
  • 不適切なコンテンツを報告

‎2024-09-21 03:58 AM

‎2024-09-21 03:58 AM

@bolco_1280 
ありがとうございます!

無事減算されました~🎉

Kotetsu_5-1726858461954.png

 

そこ「不足」になっているのがデフォルトかと思ってました!

その設定って、特定のレイヤーセットに含まれる&ランプとかゾーンとかが露出面積に影響与えないためにあったんですね!

https://help.graphisoft.com/AC/26/JPN/_AC26_Help/050_ViewsVB/050_ViewsVB-99.htm

ありがとうございます!助かりました


▼ウィッシュリスト(投票が集まるとGSの検討対象になります。賛同してくださる方は投票をお願いします!)
「仕上げツール」を本体機能に | 「メッシュから屋根を作成」を本体機能に | フロアレベルからメッシュ点高度 | 躯体以外を表示 | メッシュ頂点に一括ラベル | 断面形状パラメータパレット | STB取込みで梁端部を柱面 | RFAをパラメトリック | レイヤーセットを現在の設定で更新 | ひとつひとつの線の線種/色/表示非表示を変更できる機能(ラインワーク) | 「線として表示」としてもBIMx上で通り芯を表示 | 部材の始点/終点座標を一覧表とプロパティで取得 | 通り芯と要素の連動 | 表現の上書きに数式
Win10 / 13th Gen Corei7 / 32GB RAM / RTX2000Ada Laptop
AC17 - 27 / ACUG
3 件のいいね!
返信
ooki
ooki
Enthusiast
Kotetsuに対する応答
オプション
  • 新着としてマーク
  • ブックマーク
  • 購読
  • ミュート
  • RSS フィードを購読する
  • ハイライト
  • 印刷
  • 不適切なコンテンツを報告

‎2024-09-24 10:40 AM

‎2024-09-24 10:40 AM

「露出面の減算」のデフォルト設定では、オブジェクトは減算対象になっていないのですね。

他BIMソフトからIFCで取り込んだデータは、構造部材がオブジェクトの場合(基礎等)があるので、オブジェクトを減算対象に追加しておかないと行けないですね。

過去に露出面積の算出が少なくなることがあったので、とても勉強になりました!

 

2024-09-24_10-25-18.gif

4 件のいいね!
返信

設定情報は作成者によって提供されています。

返信を見逃したくないですか?
トピックを購読する
関連する記事
  • 自由棚を家具図にできないものか。。 in モデリング
  • 【千葉県BIM推進会×LEMORE】千葉BIMワークショップ2025開催 12/19(金) in フリートーク
  • 27から29に飛ぶことができますか? in インストール&アップデート
  • Archicad オンラインテンプレート(Windows環境)不具合について in フリートーク
  • 「一覧表」機能を使って「材質上書き」が設定されているもの・設定されていないものを分けて表示したい in モデリング

回答が見つかりませんでしたか?

このフォーラムで
他の記事をチェック

フォーラムへ戻る

最新の解決策をチェック

採用された解決策

新しいディスカッションを始める

投稿する

フォーラム

  • インストール&アップデート
  • ライセンス
  • モデリング
  • ライブラリ&オブジェクト
  • ドキュメント
  • ビジュアライズ
  • BIMx
  • プロジェクト管理
  • パラメトリックデザイン
  • サスティナブルデザイン
  • チームワーク&BIMcloud
  • OPEN BIM
  • フリートーク
  • Our Community

ナレッジベース

  • インストール&アップデート
  • ライセンス
  • Archicadをはじめよう
  • モデリング
  • ライブラリ&オブジェクト
  • ドキュメント
  • ビジュアライズ
  • BIMx
  • プロジェクト管理
  • チームワーク&BIMcloud
  • OPEN BIM
  • Communityの使い方
  • MEP

Building Together

  • Graphisoft Insights
  • Archicadユーザーグループ
  • USERFEST
  • チャレンジ(コンテスト)
  • BIM相談室 配信情報
  • How to use Archicad - NEW
  • ウィッシュリスト
  • 製品ロードマップ
  • Graphisoft テクノロジープレビュープログラム 2025
Powered by Khoros
Copyright © 2025 GRAPHISOFT. All rights reserved.
  • プライバシーポリシー
  • 利用規約
  • コミュニティ投稿ガイドライン

GraphisoftはNemetschekのグループ企業です